Tuotteen esittely
GB: n raskaat kiskot on valmistettu matalista seosteräksistä, kuten U71MN ja U75V, ja ne tuotetaan tiukasti rautateiden erityisten raskaiden kiskojen GB -standardien mukaisesti.
38 kg: n raskas kiskotuotanto vaatii monimutkaisen ja tarkan täysprosessin prosessin: Teräksenvalmistusvaiheessa käytetään muunnin- tai sähkökaari-uunin sulattamista yhdistettynä LF-uunin puhdistamiseen ja RH-tyhjöiden kaasunopeustekniikkaan, jotta voidaan hallita tarkasti elementtien, kuten hiilen (0. 65-0. (0. 9-1. 2%) ja vanadium (0. 06-0. 12%), samalla kun säätelee rikki- ja fosforin epäpuhtauksia alapuolella 0.
Jatkuva valuprosessi käyttää kaaren jatkuvaa valukonetta sulan terästä eritelmien aihioihin, kuten 160 mm × 210 mm, ja käyttää dynaamista vaalean vähentämistekniikkaa keskuksen segregaation vähentämiseen;

Vieritysvaiheessa aihio lämmitetään noin 115 0 asteeseen ja kulkee vuorotellen karkean rullauksen, keskitason liikkumisen ja viimeistelyn viimeistelyn läpi. Se muodostetaan tarkasti käyttämällä yleistä valssausprosessia, ja kiskon korkeus ja alakäyttötoleranssit ohjataan tiukasti ± 0,5 mm: n sisällä;
Lämmönkäsittelyvaiheessa kiskopäälle altistetaan keskitaajuinen induktion sammutus 8-12 mm: n pinnan muodostamiseksi. Kovetetun kerroksen kovuus on 350-380 Hbw, joka parantaa kulumiskestävyyttä.
Valmiin tuote on testattava sisäisten vikojen varalta ultraäänitestauksella ja mekaanisilla ominaisuuksilla vetolujuudella varmistaaksesi, että jokainen raskas kisko voi kantaa junakuorman vakaasti rautatiekuljetuksen aikana.

GB-standardi 38 kg: n raskas rautatie kisko on kuumavalssattu kisko, jonka teoreettinen paino on 38 kiloa metriä kohti. Se on raskas kisko rautateille ja sitä käytetään vakioradan viivojen asettamiseen.
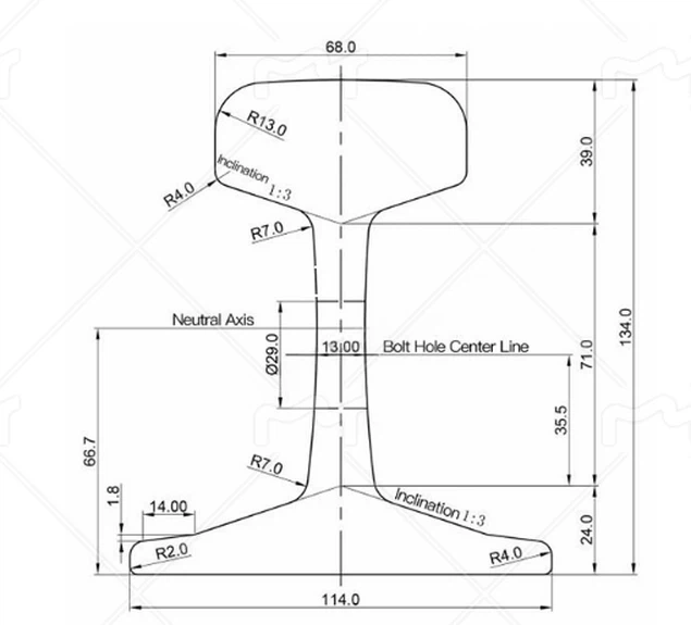
Tekniset tiedot- Poikkileikkausmitat:
- Kiskekorkeus: 134 mm
- Pohjan leveys: 114 mm
- Pään leveys: 68 mm
- Vyötärön paksuus: 13 mm
- Pituus: 12,5 m, 25m (vakiona kiinteä pituus, muokattavissa oleva kysyntä)
Materiaaliominaisuudet
- Yleiset materiaalit: U71MN (mangaania sisältävä keskimääräinen hiiliteräs)
- Mekaaniset ominaisuudet:
- Vetolujuus suurempi tai yhtä suuri kuin 880MPA
- Pitkitys, joka on suurempi tai yhtä suuri kuin 9%
-Ominaisuudet: kulumiskestävä, kompressiokestävä, iskunkestävä, soveltuu keskikokoiseen rautatiekuljetukseen
Tuotevaatimukset

Tuotepakkaus ja toimitus
Raskaiden kiskojen pakkaus hyväksyy "progressiivisen vahvistus" -järjestelmän. Ensinnäkin kiskot asetetaan yhdensuuntaisesti yksi kerrallaan, ja ohuita teräsjohtoja käytetään verkkorakenteen kudottamiseen kiskojen välisellä väliajoin kerrosten välisen liitettävyyden parantamiseksi. Sitten paksummat teräsjohdot kääritään kiskoja pitkin pitkittäin vakaan peruskehyksen muodostamiseksi. Lopuksi, 16 mm leveitä teräshihnoja käytetään niputtamaan vaakasuoraan 1,5 metrin välein. Jokainen teräshihnan liitos kiinnitetään leimaamalla ja hitsataan vahvistusta varten.


GNEE-rautatieyhtiön GNEE Rail -järjestelmän tarjoajana GNEE Rail keskittyy tarjoamaan täysimääräisiä teollisuusketjupalveluita globaalille rautatierakenteelle, rakentamaan täydellisen teollisen ekologisen ketjun raaka-aineiden hankinta, tuotanto ja käsittely kansainväliseen kauppaan sekä korkean suorituskyvyn raskaan rautatietuotantotekniikan omistaminen riippumattomien henkisen omaisuusoikeuksien kanssa. Olemme perustaneet alan johtavan "täydellisen elinkaaren laadunhallintajärjestelmän" koko prosessin seuraamiseksi raaka-aineista, jotka saapuvat tehtaalle tuotepalveluun. Noudatamme "teknologian johtamaa, laatua ensin" kehityskonseptia ja olemme onnistuneesti tarjonneet järjestelmäratkaisuja monille suurille kansainvälisille rautatieprojekteille.




Suositut Tagit: GB -standardi 38 kg raskas rautatie, Kiina GB -standardi 38 kg: n raskas rautatievalmistajat, toimittajat, tehdas






