Tuotteen esittely
GB Light Rail on eräänlainen rautatiemateriaali, joka on valmistettu Kiinan kansallisen standardin (GB) mukaisesti, jota käytetään erityisesti rautatiekuljetusskenaarioihin, joissa on keskipitkä ja pieni liikenne. Sen paino metriä kohden on välillä 8-30 kg, kattaen 8 teknistä määritystä, kuten 8 kg, 9 kg ja 12 kg. Se on pääasiassa hiiliteräksestä tai matalasta seosteräksestä ja se on valmistettu kuumalla valssausprosessilla.
Funktionaalisesta näkökulmasta GB: n kevyt rautatie kestää pienten ja keskisuurten junien tai kuljetusajoneuvojen kuormituksen ja sopii kaupunkien kevyiden rautatien ylimääräisiin apuviivoihin, paikallisiin rautatieliikenteisiin, tehdas- ja kaivosyrityksiin omistautuneille linjoille, luonnonkaunis kiertoa rautatiet ja muut linjat. Koko rautatiejärjestelmässä GB: n kevytraide täydentää raskaita kiskoja, täyttää pienen määrän ja edullisen radan rakentamisen kysyntäkuilun ja tarjoaa rautatiekuljetuspalvelut tietyille alueille ja skenaarioille halvemmalla ja ylläpitokustannuksilla. Se on välttämätön ja tärkeä osa rautatieinfrastruktuurin rakentamista.

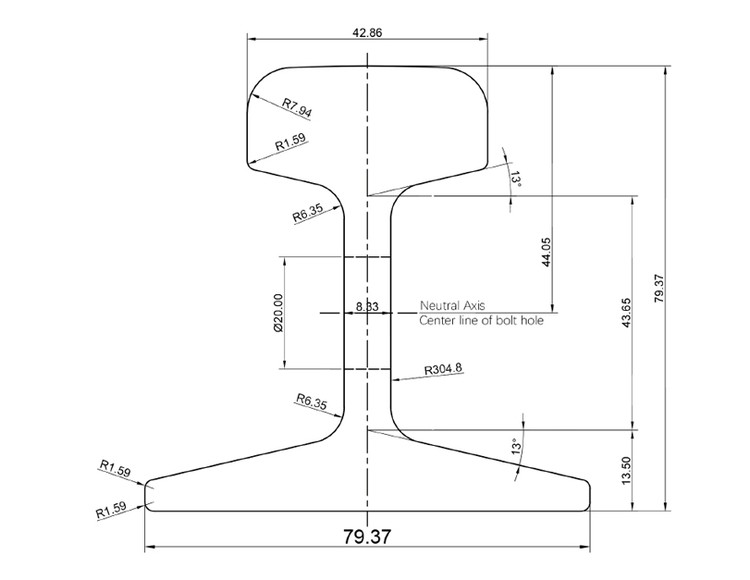
Q235B 15 kg: n rautatievalo teräs kuuluu kevyen raidan luokkaan ja "Q235B" edustaa sen materiaaliominaisuuksia.
Mekaaniset ominaisuudet:Q235B 15 kg: n rautatievalo teräksellä on tietty lujuus ja se kestää ajoneuvojen kuormia ja niihin liittyviä voimia rautatietoimituksen aikana. Sen hyvä plastisuus ja sitkeys tekevät siitä vähemmän todennäköistä, että kärsivät haurasta murtumasta kohtaaessaan monimutkaisia stressiolosuhteita, kuten radan pienimuotoiset muodonmuutokset ja tärinävaikutukset, mikä varmistaa rautatietoiminnan turvallisuuden.
Käsittely suorituskyky:Kemiallisen koostumuksen ominaisuuksien vuoksi teräksellä on vahva konettavuus. Se voidaan tehdä määritettyyn kevyen raidan muotoon kuuman rullauksen ja muiden prosessien kautta. Rakennus- ja asennusprosessin aikana on helppo leikata, porata, hitsausta ja muita toimintoja, mikä on kätevä radan asettamiselle ja yhteydelle todellisten tekniikan tarpeiden mukaan, vähentämällä rakennusvaikeuksia ja parantamalla rakennustehokkuutta.
| Q235B | Mekaaninen ominaisuus | Kemiallinen koostumus (%) | |||||||||
| Tuottolujuus | Vetolujuus | Pidennys | Kovuus | C | Kyllä | Mn | S | P | |||
| MPA | kg\/mm² | MPA | kg\/mm² | mini | HB | Vähemmän tai yhtä suuri kuin | Vähemmän tai yhtä suuri kuin | Vähemmän tai yhtä suuri kuin | |||
| Suurempi tai yhtä suuri kuin | Suurempi tai yhtä suuri kuin | ||||||||||
| 235 | 24 | 375-460 | 38-47 | 26% | 0.12-0.22 | 0.35 | 0.30-0.70 | 0.045 | 0.045 | ||
Tuotevaatimukset

Tuotesovellus

GNEE Rail on keskittynyt GB -standardivalokiskojen vientiin monien vuosien ajan ja perustanut täydellisen kansainvälisen kauppapalvelujärjestelmän. Tuotteet noudattavat tiukasti kansallisia standardeja, ja tekniset tiedot vaihtelevat välillä 8 kg\/m - 30 kg\/m. Ammattimainen vientitiimi tuntee kansainväliset kaupan säännöt ja voi tarjota täydellisiä vientiasiakirjoja ja standardisoituja pakkausratkaisuja. Ylläpidämme pitkäaikaista yhteistyötä monien kansainvälisten logistiikkayritysten kanssa ja voimme järjestää parhaan kuljetussuunnitelman asiakkaiden tarpeiden mukaan.





Suositut Tagit: Q235B 15 kg rautatievaloteräs, Kiina Q235B 15 kg rautatievalot terävät valmistajat, toimittajat, tehdas






